Description
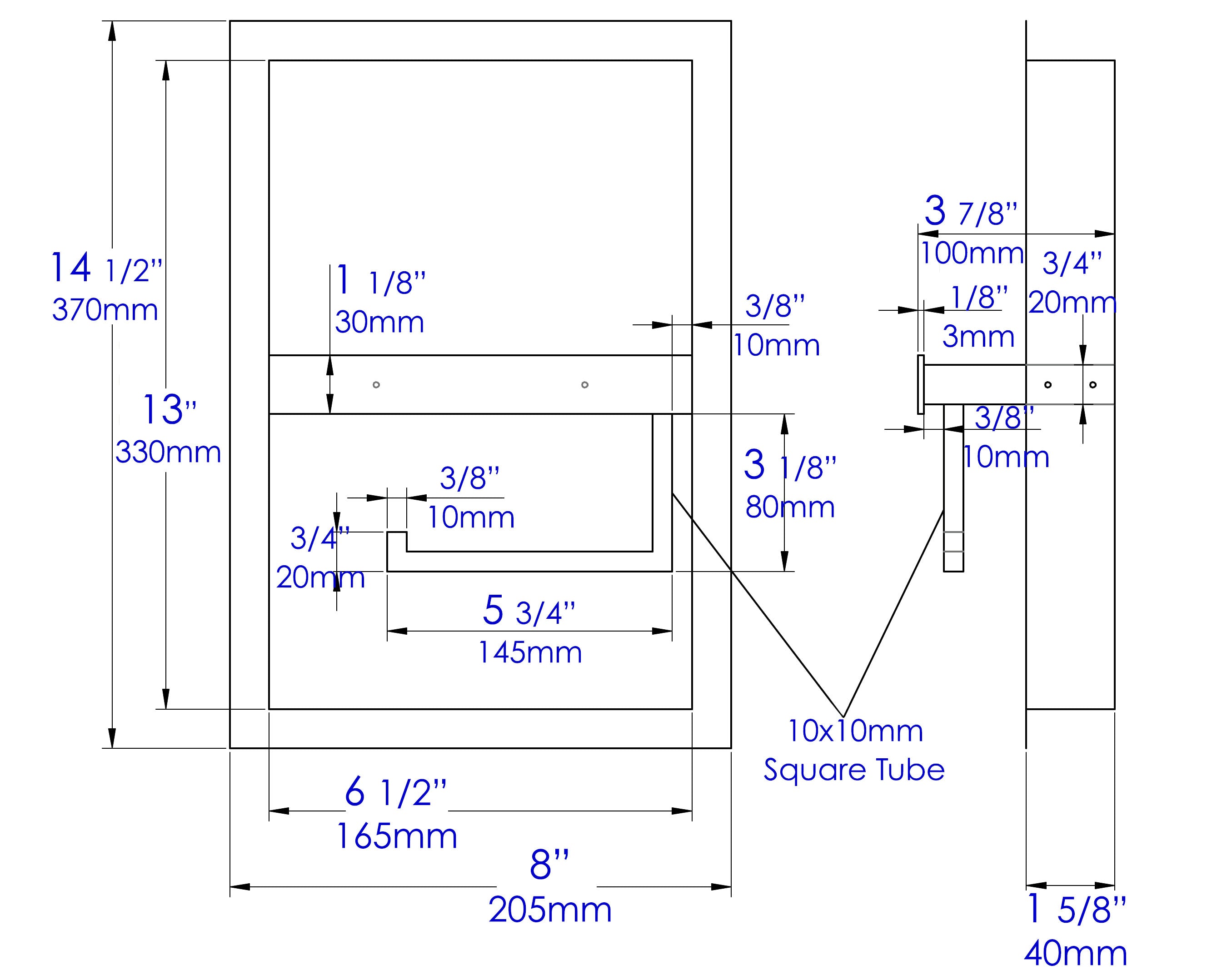
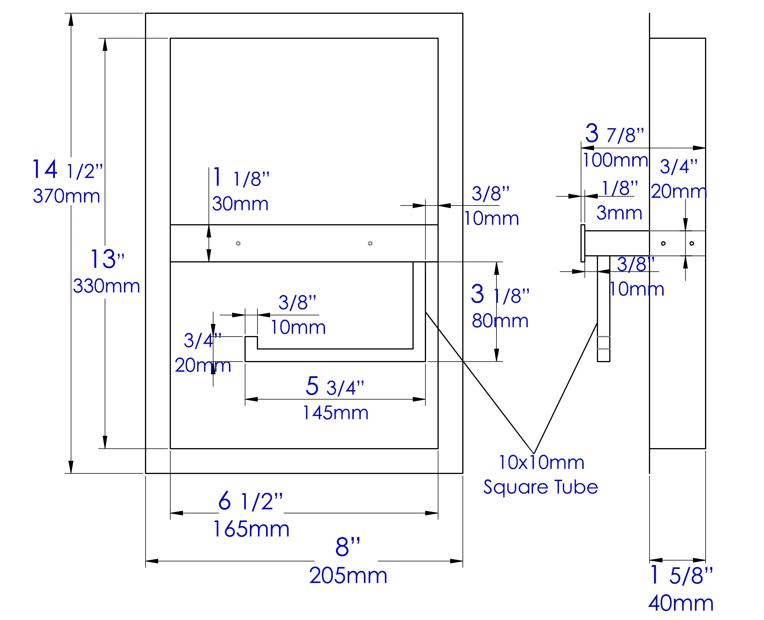
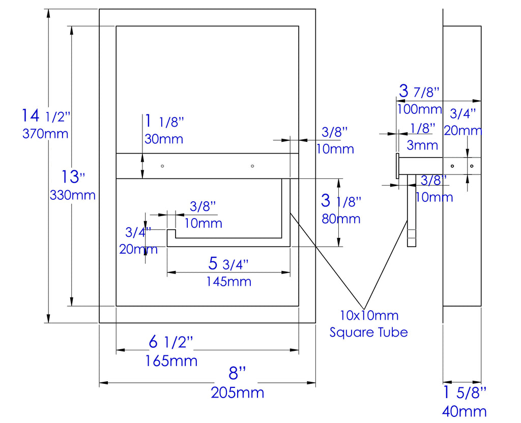
ALFI brand ABTPN88-BSS Brushed Stainless Steel Recessed Toilet Paper Holder Niche, 19 Gauge
ALFI brand is a family owned business that is passionate about helping individuals transform their kitchen and bath into gorgeous places to spend time. Dedicated to manufacturing innovative and unique products that are both beautiful and functional, ALFI offers a diverse selection of kitchen and bath products that wont be found elsewhere. While the brands emphasis is on uncompromising quality and distinctive designs, their products are made for budget minded people.
Unlike traditional niches that require extra labor and expensive tile work, this one-of-a-kind niche is fully finished and ready to mount into your wall opening. This versatile niche design can be used as a toilet paper holder, or simply as extra storage space /w hook. Available in several different finishes; you'll save hundreds of dollars over tiled niches and enjoy the sleek modern appearance of stainless steel.
This ALFI brand ABTPN88 large vertical stainless steel wall niche offers the practical convenience of recessed shelving, with a built-in toilet paper holder and shelf for your phone or other small items. Additionally, this niche can be used as a space saving solution for soaps, shampoos, and other shower essentials near your bathtub or shower - utilizing the hook for hanging a washcloth or loofah. Sleek stainless steel provides durability and longevity, enhancing your bathroom design with modern appeal for years to come. Available in a variety of finishes to match any decor.
Available In:
Please see our color disclaimer.
Features
- This wall niche is designed to hold a toilet paper roll - but can also be used for a variety of other applications within your bathroom; serving as stylish additional-shelving for hand towels, soaps, bottles, etc.
- Traditional Brushed Stainless Steel finish designed to match all other fixtures in your bathroom.
- Sturdy 20 gauge welded construction which is about 1 mm thickness.
- Includes adhesive strips on the back edges and easy-to-follow instructions for fast 3 step installation.
- Made of solid 304 series stainless steel which is waterproof and rustproof. Ideal for a moist environment.
- Installs between studs for a neat, recessed appearance.
- Please note that the shampoo, soap and other accessories shown in some of the images are for demonstration purposes only and are not included.
Details
| ASIN: | B0BX4S6BRX |
|---|---|
| Box Height: | 7.09" |
| Box Length: | 17.72" |
| Box Weight: | 4.72 lb(s) |
| Box Width: | 11.02" |
| Color: | Stainless Steel |
| Country of Origin: | China |
| Finish: | Brushed Stainless Steel |
| Gauge: | 19 |
| Harmonized System Code: | 7324.90.0000 |
| Inner Depth: | 1.75" |
| Inside Bowl Dimensions: | 13" x 8.5" x 1.75" |
| Installation Type: | Recessed |
| Item Height: | 3.9" |
| Item Length (Front to Back): | 14.5" |
| Item Weight: | 2.65 lb(s) |
| Item Width (Side to Side): | 10" |
| Material: | Stainless Steel |
| NMFC Code: | 158880 |
| Number of Shelves: | 1 |
| Overall Dimensions: | 14.5" x 10" x 3.9" |
| Pack Quantity: | 1 |
| Room: | Bathroom |
| SKU: | ABTPN88-BSS |
| Shape: | Rectangle |
| Ship Girth: | 36.22 |
| Ship Length: | 17.72 |
| Ship Method: | Small Parcel |
| Ship Package Type: | Carton |
| Ship Weight: | 4.72 |
| Ship Width: | 11.02 |
| Shipping Dimensions: | 17.72 x 11.02 x 7.09 |
| Ships From: | KS |
| Style: | Modern |
Warranty
1 year warranty against manufacturing defects.
ALFI brand Warranty Details (PDF)
Installation Instructions
Installation Instructions (PDF)
Product Specifications (PDF)
Video(s)
Product Video 1
Product Video 2
Related Products
- ALFI brand ABN1224-BSS 12 x 24 Brushed Stainless Steel Vertical Double Shelf Bath Shower Niche, 20 Gauge
- ALFI brand ABN1212-BSS 12 x 12 Brushed Stainless Steel Square Single Shelf Bath Shower Niche, 20 Gauge
- ALFI brand ABN1616-BSS 16 x 16 Brushed Stainless Steel Square Single Shelf Bath Shower Niche, 20 Gauge
- ALFI brand ABTP77-BSS Brushed Stainless Steel Recessed Toilet Paper Holder with Cover, Nickel
- ALFI brand ABTP77-PSS Polished Stainless Steel Recessed Toilet Paper Holder with Cover, Chrome
- ALFI brand ABTPC77-BLA Black Matte Stainless Steel Recessed Toilet Paper Holder with Cover
- ALFI brand ABTPC77-W White Matte Stainless Steel Recessed Toilet Paper Holder with Cover
- ALFI brand ABTPNC88-BLA Black Matte Stainless Steel Recessed Toilet Paper Holder Niche, 19 Gauge
- ALFI brand ABTPNC88-W White Matte Stainless Steel Recessed Toilet Paper Holder Niche, 19 Gauge
- ALFI brand ABTPNP88-BB Brushed Black PVD Stainless Steel Recessed Toilet Paper Holder Niche, 19 Gauge
- ALFI brand ABTPNP88-BC Brushed Copper PVD Stainless Steel Recessed Toilet Paper Holder Niche, 19 Gauge
- ALFI brand ABTPNP88-BG Brushed Gold PVD Stainless Steel Recessed Toilet Paper Holder Niche, 19 Gauge
Payment & Security
Your payment information is processed securely. We do not store credit card details nor have access to your credit card information.
Questions & Answers
Have a Question?
Be the first to ask a question about this.











